Kẹp đàn hồi loại Pandrol E
A Kẹp đàn hồi loại Pandrol Elà một thiết bị cố định đường ray bằng thép lò xo-có khả năng đàn hồi giúp giữ chặt đường ray thép vào tà vẹt hoặc tấm giằng. Nó hoạt động giống như một lò xo, tạo áp lực hướng xuống liên tục để giữ cho đường ray cố định và hấp thụ lực của các đoàn tàu đi qua. Những chiếc kẹp này được sử dụng rộng rãi trên toàn cầu trên tà vẹt bê tông và gỗ vì tính linh hoạt của chúng và được thiết kế để chịu được ứng suất của đường ray hàn liên tục.
Các loại và thông số kỹ thuật của Chốt kẹp E
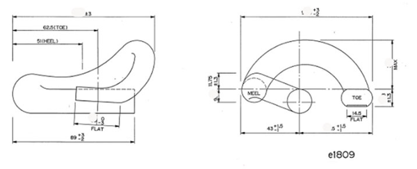
Bản vẽ kẹp đường ray e1809


| Mục | Chốt kẹp E | |||
| Thành phần hóa học | 60Si2MnA | 60Si2CrA | 55Si2Mn | 38Si7 |
| C:0,56-0,64, Mn:060-0,90, Si:1,50-2,00, Cr: Nhỏ hơn hoặc bằng 0,35, P: Nhỏ hơn hoặc bằng 0,03, S: Nhỏ hơn hoặc bằng 0,03 | C:0,56-0,64, Mn:0,40-0,70, Si:1,40-1,80, Cr:0,70-1,00 P: Nhỏ hơn hoặc bằng 0,03, S: Nhỏ hơn hoặc bằng 0,03 |
C:0,52-0,60, Mn:0,60-0,90, Si:1,50-2,00, Cr: Nhỏ hơn hoặc bằng 0,35 P: Nhỏ hơn hoặc bằng 0,03, S: Nhỏ hơn hoặc bằng 0,03 |
C:0,35-0,42, Mn:0,50-0,80, Si:1,50-1,80, P: Nhỏ hơn hoặc bằng 0,03, S: Nhỏ hơn hoặc bằng 0,03 | |
| độ cứng | 44-48 HRC | |||
| Cuộc sống mệt mỏi | 3-5 triệu chu kỳ mà không bị hỏng | |||
| Bề mặt | Sơn dầu trơn, đen oxy, mạ kẽm, mạ kẽm nhúng nóng, sơn Dacro, sơn màu | |||
| Tiêu chuẩn | UIC, AREMA, BS, RDSO, DIN, JIS, ISCR, VALEC, GOSTR- EASC, GB/T hoặc loại khác theo yêu cầu | |||
| Bưu kiện | Túi di chuyển, Pallet | |||
| Vận chuyển | Phụ thuộc vào thứ tự | |||
Ứng dụng của kẹp Pandrol E
Kẹp Pandrol E{0}}là một hệ thống buộc chặt đường sắt linh hoạt được sử dụng trên toàn cầu cho các ứng dụng như đường ray được dằn, công tắc và đường ngang trên cả tà vẹt gỗ và bê tông. Đây là một hệ thống tự căng, không có-có ren, được thiết kế để cố định đường ray, hấp thụ tác động và phân phối áp lực, góp phần đảm bảo an toàn và tuổi thọ trong khi giảm thiểu việc bảo trì.
Ứng dụng chính

- Đường ray có đá dăm: Kẹp E{0}}phù hợp với tất cả các loại đường ray có đá dăm, khiến nó trở thành lựa chọn phổ biến cho cơ sở hạ tầng đường sắt nói chung.
- Công tắc và nút giao: Nó được sử dụng trong các công tắc và nút giao, là những thành phần quan trọng của mạng lưới đường sắt đòi hỏi phải được buộc chặt chắc chắn.
- Ứng dụng vận chuyển và vận chuyển hàng hóa: Một biến thể, E-Clip SRS (Hệ thống đàn hồi đơn), được thiết kế đặc biệt cho các ứng dụng vận chuyển và vận chuyển hàng hóa trong đó việc giảm tiếng ồn và độ rung là ưu tiên hàng đầu.
Là nhà sản xuất OEM & OBM,ĐƯỜNG SẮT GNEEkhông chỉ có khả năng sản xuất nhiều loại kẹp ray phổ biến trên thế giới, chẳng hạn như Kẹp căng W, Kẹp e-, Kẹp- nhanh, Kẹp căng SKL, Nabla Blade, v.v. mà còn có thể tùy chỉnh các sản phẩm phù hợp với yêu cầu cụ thể của khách hàng.

| Tên | Kẹp đường sắt | |||
| Kiểu | Kẹp E (e1809, e2006,e2007,e2009, v.v.) | |||
| Clip Skl (skl1,skl3,skl12,skl14) | ||||
| Hoặc loại theo bản vẽ của khách hàng | ||||
| Vật liệu | 60Si2MnA | 60Si2CrA | 55Si2Mn | 38Si7 |
| Thành phần hóa học(%) | C:0,56-0,64, Mn:0,60-0,90, Si:1,60-2,00, Cr: Nhỏ hơn hoặc bằng 0,35, P: Nhỏ hơn hoặc bằng 0,03, S: Nhỏ hơn hoặc bằng 0,03 | C:0,56-0,64, Mn:0,40-0,70, Si:1,40-1,80,Cr:0,70-1,00 P: Nhỏ hơn hoặc bằng 0,03, S: Nhỏ hơn hoặc bằng 0,03 | C:0,52-0,60, Mn:0,60-0,90, Si:1,50-2,00,Cr: Nhỏ hơn hoặc bằng 0,35 P: Nhỏ hơn hoặc bằng 0,03, S: Nhỏ hơn hoặc bằng 0,03 | C:0,35-0,42, Mn:0,50-0,80, Si:1,50-1,80, P: Nhỏ hơn hoặc bằng 0,03, S: Nhỏ hơn hoặc bằng 0,03 |
| độ cứng | Đối với clip điện tử: 44-48HRC | |||
| Đối với kẹp skl: 42-47HRC | ||||
| Cuộc sống mệt mỏi | đối với Dia.18 là 3 triệu chu kỳ mà không bị hỏng | |||
| đối với Dia.20 là 5 triệu chu kỳ mà không bị hỏng | ||||
| Bề mặt | trơn (có dầu), Oxit đen, sơn màu, HDG, Mạ kẽm... | |||
| Tiêu chuẩn đề cập | DIN17221, BS970, GB/T1222 | |||

